Keresés


Toplista

Toplista
  • betöltés...

Magántanár kereső

Ha szívesen korrepetálnál, hozd létre magántanár profilodat itt.
Ha diák vagy és korrepetálásra van szükséged, akkor regisztrálj be és írd meg itt, hogy milyen tantárgyban!

Hogyan oldható meg a csatolt képen levő elektrotechnika feladat?

379
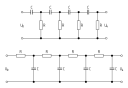
A négytagú C-R és R-C fázistoló lánc bemenetére állandó nagyságú feszültséget kapcsolunk, a frekvencia változik. Mekkora frekvencián lesz a kimeneti feszültség ellenfázisban a bemenetivel? Ezen a frekvencián mekkora a fázistoló lánc csillapítása?
Kifejezetten babos_adam megoldását várom! Na babos_adam, most mutasd meg mit tudsz!
Jelenleg 1 felhasználó nézi ezt a kérdést.
Elektrotechnika
0
Felsőoktatás / Fizika

Válaszok

2
Ez nem egy egyszerű feladat, mert az egyes tagok egymást terhelik. Azért rászántam az időt, itt a megoldás. Kissé hosszú, ezért képekként teszem ide. Még kiegészítettem, a háromtagú fázistoló lánccal is.
Ezt a kapcsolást alkalmazzák a fázistolós oszcillátorokban. Egy közös katódú, vagy közös emitteres erősítő fázist fordít. A berezgéshez az szükséges, hogy a bemenetre kerülő feszültség a kimenetivel azonos fázisban legyen. A fázisfordítást a fázistoló lánc végzi el, de közben a jel csökken, az erősítőnek elvileg éppen annyit kell erősíteni, hogy ezt a csökkenést ellensúlyozza. Az R-C tagok minimális száma három, mert két tag elméletileg csak a sávszéleken lenne képes 180° fázistolásra, de ott már a csillapítás végtelen lenne. A gyakorlatban leginkább három R-C taggal oldják meg. Felépítése egyszerű, de vannak hátrányai. Folyamatos hangolásnál három tagot kell együtt futtatni, önmagában nem jó az amplitúdóstabilitása. Az utolsó képen egy ilyen oszcillátort láthatsz egy áramkör szimulátorban. f=1 kHz-hez szükséges kapacitás, ha R=100 kΩ:

`C={sqrt"0,7"}/{2πfR}=sqrt{"0,7"}/{2π*10³*10⁵}≈"1,332" nF`

A fázistoló láncot kis impedanciáról kell meghajtani, ezért Q1 után szükséges még egy emitterkövető (Q2). Ugyanakkor a fázistoló lánc kimenetét nagy impedanciával kell fogadni, Q1 bemeneti impedanciája elegendően nagy a fázistoló lánc impedanciájához képest. Felmerülhet a kérdés, hogy az utolsó ellenállás (R5) miért nem 100 kΩ, hanem 200 kΩ? A bázisosztó felső tagjának (R4=200 kΩ) felső vége váltakozóáramúlag C5=10 µF-os kondenzátoron keresztül a testpontra csatlakozik. Így váltakozóáramú szempontból R4 és R5 párhuzamosan van kapcsolva, az eredőjük 100 kΩ. Illetve valójában valamivel kisebb, mert még párhuzamosan kapcsolódik vele Q1 bemeneti ellenállása, de az kb. egy nagyságrenddel nagyobb. Q1 erősítését R8 ellenállással lehet beállítani, itt 4,7 kΩ volt a megfelelő érték, de a gyakorlatban ezzel szinte biztos, hogy nem működik, vagy nem jól működik. Igen nehéz beállítani, az áramkör szimulátorban, ha lecsökkentjük 4,6 kΩ-ra, vagy megnöveljük 4,8 kΩ-ra, akkor megnövekszik a torzítás és megváltozik a kimeneti jel nagysága.
1

Itt az utolsó kép:
1