Ha szívesen korrepetálnál, hozd létre magántanár profilodat itt.
Ha diák vagy és korrepetálásra van szükséged, akkor regisztrálj be és írd meg itt, hogy milyen tantárgyban!
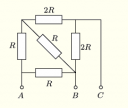
Ellenállás kiszámolása
Mr John
kérdése
943
Kellene az ellenállás kiszámolásának módja, AB-AC és BC között.
Jelenleg 1 felhasználó nézi ezt a kérdést.
fizika, elektromosságtan, ellenállás
0
Középiskola / Fizika
Válaszok
2
AlBundy{ Polihisztor }
megoldása
A és B között:
Ekkor a C kivezetést nem kell nézni. A két dupla értékű ellenállás sorosan van kapcsolva, eredőjük 4R. Ez van párhuzamosan kapcsolva az átlós ellenállással, ez az eredő 4R/5. Ehhez még sorosan kapcsolódik a bal oldali ellenállás, így eddig 9R/5-nél tartunk. Végül ezzel párhuzamosan van kötve az alsó ellenállás, így a teljes eredő 9R/14.
B és C között:
Most az A kivezetést nem kell nézni. Az A pontból kiinduló két ellenállás sorosan van kötve, eredőjük 2R. Ezzel még párhuzamosan van kapcsolva az átlós ellenállás, ez az eredő 2R/3. Ezzel az egésszel soros a felső ellenállás, így eddig 8R/3-nál tartunk. Végül ezzel párhuzamos a jobb oldali 2R értékű ellenállás, így a teljes eredő 8R/7.
A és C között:
Ez trükkös. Alkalmazzunk a 2R-2R-R háromszögre egy delta-csillag átalakítást! Ehhez mellékeltem ábrát. Ezután a B pontban sorosan találkozó ellenállásokat össze lehet vonni, ez 7R/5. A bal felső sarokban találkozó ellenállásokat ugyanígy összevonhatjuk, ez is 7R/5. Ez a kettő párhuzamosan van kötve, eredőjük 7R/10. És végül ezekhez jön még sorosan a C pontból kiinduló ellenállás, így a végeredmény 3R/2.
Egyébként ellenőrizheted, hogy ezzel a transzformált hálózattal az AB és BC ellenállások is kijönnek.
1
bongolo:
Nem muszáj delta-csillag átalakítást csinálni. Lentebb leírtam.
8 éve0
bongolo{ }
válasza
A-C esetén nem muszáj delta-csillag átalakítást csinálni ezért:
Az A-ból indulva mindkét ágon R-R van.
A C-ből indulva mindkét ágon 2R-2R van.
Vagyis a középső átlós R két végpontja azonos potenciálon van mindig. Ezért olyan, mintha ott se lenne az az R.
Egyszerűen R és 2R sorba van kötve balra is meg jobbra is, mindkettő 3R, ezek vannak párhuzamosan, eredőjük 3R/2
Módosítva: 8 éve
2
AlBundy:
Valóban, ezt nem vettem észre. Köszönöm a kiegészítést!
8 éve0